1、前言
液压传动课程是机电专业的专业基础课程,实用性非常强。授课由理论、液压元件、液压回路3部分组成,而液压系统的回路设计非常灵活和重要。
传统教学利用继电器组控制回路已经不能满足教学需要,本文利用PLC技术将液压技术有机结合起来,培养了学生研究能力和创新能力。由于PLC(可编程序控制器)具有抗干扰性强, 运行可靠的优点因而在工业自动化领域被广泛应用。利用PLC控制技术可以完成液压回路实验中任何回路控制实验,如节流回路、调压回路、减压回路、顺序回路(电气控制、行程控制)、差动回路和综合回路。学生通过实验不仅能够掌握液压系统原理,也能掌握PLC可编程序控制的功能,控制原理及编程技巧。
2、液压回路实验台装置
为了直观形象地了解液压元器件的结构原理,清晰明地观察液压传动油路的工作过程状况,实验装置的所有液压元件均采用透明有机玻璃外壳,可以清晰直观地了解和观察到所有液压元件的内部结构原理及液压传动油路的工作过程。利用该系统既可对单个液压元件的结构、工作原理及性能进行教学,还可以对常见基本液压回路的实验演示学习。
采用PLC编程控制模块可实现可编程程序控制器(PLC)智能控制,使得机、电、液控制有机结合起来,优化了控制方案。
2.1 实验装置组成
实验装置由实验台架、液压泵站、常用液压元件、电气控制单元等几部分组成。
该实验台元器件采用透明有机玻璃外壳,使得元件的内部结构鲜明直观。通过透明的油管和红色液压油可以清晰地观察到液压油在整个液压元件中的流动过程。实验台采用独立的元件模块,安装方便,可以随意的组合各实验模块,搭建各种不同的实验回路。液压元件的zui大承受压力为1Mpa,系统额定工作压力为0.8Mpa,是安全的低压实验系统。采用PLC编程控制模块,实现可编程程序控制器(PLC)智能控制。实验配有虚拟仿真软件,可以根据学生思路自己设计实验(图1)。
图1 实验装置
图2 液压泵站原理
1.驱动电机2.定量叶片泵3.溢流阀4.吸油过滤器5.加热器6.空气滤芯器7.放油螺栓
2.2 实验装置电气及液压系统设计
液压实验台控制系统由液压动力控制和电气控制两大系统组成,其中电气控制系统分为强电部分即液压泵电机控制部分和弱电部分即PLC控制部分。强、弱电部分实行分开隔离设计。图2 为液压泵站的原理图。
液压动力源控制系统主要由油箱、过滤器、定量泵、溢流阀、节流阀和压力表等液压元件组成。定量泵2 是单作用叶片泵,系统压力由教师调节,实验压力为0.7MPa调好后一般不再变动。
2.3 电气控制回路设计
系统电气控制回路主要由液压主控回路、液压继电器控制回路、液压PLC控制回路组成。液压主控回路:主要控制定量泵的开关以及加热器的工作。
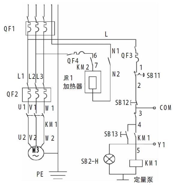
本实验台采用定量泵,额定流量一定,主控回路控制电机正转,图3为液压主控回路图。
图3中,按下SB13,接触器KM1得电,定量泵电机正传,提供额定压力油。SB12为停止按钮。图4为液压温控控制电路,按下SB14,继电器KM2得电,加热器工作,如果温度低于设定温度,油温会自动加热到设定温度,QF4为加热器开关按钮。
图3 液压主控回路
图4 液压温控电路
图5 为液压PLC接线图,所用PLC型号为FX- 20系列,实验装置的PLC控制方式有手动控制和自动控制两种方式,实验回路搭建好后,进行调试时先采用手动控制方式,将PLC程序通过编程软件下载到PLC存储器中进行手动控制,可以校验程序是否正确。自动模式为通过的工控软件选择PLC模式,进行回路实验。FX1S-20MR有14个输入点,8个输出继电器。

图5 液压PLC 接线
图6 为控制台PLC输入输出接口,Y1为液压泵输出接口,Y0-Y11为电磁换向阀电磁铁输出信号。X0、X1、X2、X3为实验启动按钮,X6-X14为行程开关输入信号或压力继电器输入信号。
图6 PLC 输入输出接口
3、基于PLC液控单向阀锁紧回路实验
液控单向阀锁紧回路利用液控单向阀的自锁功能,可使活塞锁定在任意位置,工作可靠,应用广泛。图7 为液控单向阀锁紧回路实验原理。

图7 锁紧回路实验原理
实验过程为:当叶片定量泵开启,电磁阀Y2得电,系统压力升高,打开液控单向阀,活塞杆右移,当触碰到行程开关,Y5得电活塞杆左移。
3.1 工控软件控制液压锁紧回路
按原理图在实验台上搭接实验回路,将电磁铁插头按原理图的标示插入实验台扩展模板输出区对应的插座,如:Y2-Y2即可;实验时将PLC与继电器控制旋钮旋到PLC控制位置。
接线接好后,按下软件中泵启动按钮,实验开始,按下停止按钮,实验停止。注意工控软件设置接口要正确,否则实验不能进行。
3.2 利用PLC仿真软件控制锁紧回路
PLC因其具有可靠性高,抗干扰能力强,建造工作量小,维护方便,体积小,重量轻,能耗低等显著特点,得到越来越广泛的应用。首先确定PLC输入、输出信号,哪些信号需要从PLC输出给继电器线圈,指示灯以及其他的执行电路,从而计算出对于PLC的输入、输出线的数目以及IO地址分配。图9 液控锁紧回路梯形图

图8 仿真图
图9 液控锁紧回路梯形图
首先按下启动按钮X3,液压泵启动,按下XO,电磁阀Y2得电,活塞杆右移。当接触到接近开关X4时,Y3得电,活塞杆左移,当接触到接近开关X4时,Y2得电,活塞杆右移。按下停止按钮X2,活塞杆停止,处于锁紧状态。将梯形图通过接口下载到PLC程序存储中,进行实验
本文通过PLC控制液压实验系统说明了PLC在液压系统中的重要作用。PLC逻辑处理功能越来越完善,液压系统模块必须与PLC控制模块协同配合,才能zui大限度发挥PLC控制能力。基于PLC的多功能液压教学实验装置不仅可以应用于传统的实验教学的需要,还可以和计算机及PLC控制技术结合起来,进行机电液一体化综合控制技术的训练和教学。该实验装置不论在教学上还是在锻炼学生的创新能力上都具有广泛的应用前景。
电话
微信扫一扫